
Too far away from the light, and the action!
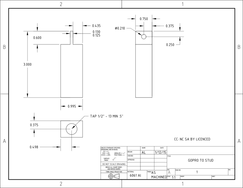
…Because why not? A lot of people have done it, but what I really wanted was a way to clamp my gopro to the table of the machine- that way I could watch the part form up close, or even choose my angle. I decided the way to do this was to use the T nuts from the hold down sets we have in the shop. A T nut and a flange nut hold a 1/2″-13 stud to the bed, and then the gopro mount threads onto the top of the stud.

Since it was easier to just throw it on the bridgeport and make it the “right shape”, I decided to avoid the CNC. After the fact, I modeled it in onshape, and made a drawing to try out their drawing tool. While I like their modeling tool, the drawing tool seems like it could use some work- it was really slow for some unknown reason, and I really miss the smart dimension tool from solidworks.

Here is the finished mount on the table of the bridgeport. I hope I get to try it out sometime soon! Maybe it will capture some cool footage, or maybe it will get thrown back in the scrap bin. Who knows?

Here is the drawing in case anyone wants to make one.